二通保溫旋塞閥 BX43W-1.0P/R/C
二通保溫旋塞閥的啟閉件是--個有孔的圓柱體,圓柱體與閥桿繞垂直于通道的軸線旋轉,從而達到啟閉通道的目的。主要供開啟和關閉管道和設備介質之用。該二通保溫旋塞閥主要優點:適用于經常操作,啟閉迅速、輕便。流體阻力小。結構簡單,相對體積小,重量輕,便于維修。密封性能好,不受安裝方向的限制,介質的流向可任意。無振動,噪聲小。
| 二通保溫旋塞閥詳細說明 |
主要性能規范
|
型號 |
公稱壓力 PN(MPa) |
試驗壓力PS(MPa) |
工作壓力 P(MPa) |
適用介質 |
工作溫度 (℃) |
|
殼體 |
密封 |
|
BX43W-1.0P |
1.0 |
1.5 |
1.1 |
1.0 |
硝酸類等 |
≤250 |
|
BX43W-1.0C |
1.0 |
1.5 |
1.1 |
1.0 |
非腐蝕、弱腐蝕 |
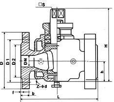
≤200 | 主要尺寸
|
口徑(DN) |
L |
D |
D1 |
D2 |
z-φd |
|
20 |
90 |
150 |
105 |
75 |
55 |
4╳14 |
|
25 |
110 |
160 |
115 |
85 |
65 |
4╳14 |
|
32 |
115 |
190 |
135 |
100 |
78 |
4╳18 |
|
40 |
150 |
200 |
145 |
110 |
85 |
4╳18 |
|
50 |
170 |
220 |
160 |
125 |
100 |
4╳18 |
|
65 |
220 |
280 |
180 |
145 |
120 |
4╳18 |
|
80 |
250 |
300 |
195 |
160 |
135 |
4╳18 |
|
100 |
300 |
340 |
215 |
180 |
155 |
8╳18 |
|
125 |
350 |
245 |
210 |
185 |
8╳18 |
|
150 |
400 |
280 |
240 |
210 |
8╳23 |
|
200 |
450 |
335 |
295 |
265 |
8╳23 |
|
250 |
530 |
390 |
350 |
320 |
8╳23 |
|
300 |
580 |
440 |
400 |
368 |
8╳23 | 主要材料
|
零件名稱 |
閥體、塞子 |
填料 |
|
BX43W-1.0P BX43W-1.0R |
不銹鋼 |
石墨盤根+304 |
|
BX43W-1.0C |
鑄鋼 | |