|
星形卸灰閥普遍適用于建材、冶金、石化、電力等部門作為種類除塵設備的卸料裝置,及各種磨機、烘干機、料倉、筒庫的卸料或勻速落料裝置。卸灰閥采用優質鋼板焊接結構,葉片耐磨性強,傳動裝置、傳動軸、葉片聯為一體。工作平穩可靠,落料均勻,輕便節能。技術參數表:
| 適用介質 |
工作溫度 |
卸灰能力 |
| 干燥粉塵 |
150℃ |
4.5-160m3/h |
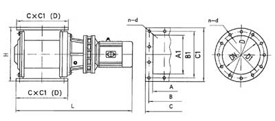
星形卸灰閥外形圖:

GLF-C、GLY-C主要外形連接尺寸:
| A1×A |
B1×B |
C1×C |
DN |
D |
D1 |
H |
L |
n-d |
傳動功率型號 |
功率KW |
卸灰能力 m3/h |
重量kg |
| 150×150 |
200×200 |
230×230 |
150 |
230 |
200 |
250 |
870 |
8-Φ13 |
BLY-15-43 |
0.75 |
5 |
121 |
| 200×200 |
260×260 |
300×300 |
200 |
300 |
260 |
300 |
910 |
8-Φ17 |
BLY-15-43 |
12 |
178 |
| 300×200 |
360×260 |
400×300 |
|
|
|
300 |
910 |
8-Φ17 |
BLY-15-43 |
18 |
214 |
| 250×250 |
310×310 |
350×350 |
250 |
350 |
310 |
350 |
910 |
8-Φ17 |
BLY-15-43 |
24 |
258 |
| 300×300 |
360×360 |
400×400 |
300 |
400 |
360 |
450 |
1140 |
8-Φ17 |
BLY-18-59 |
1.5 |
30 |
308 |
| 400×300 |
460×360 |
500×400 |
|
|
|
450 |
1140 |
10-Φ17 |
BLY-18-59 |
40 |
335 |
| 500×300 |
460×360 |
600×400 |
|
|
|
450 |
1140 |
12-Φ17 |
BLY-18-59 |
50 |
65 |
| 400×400 |
560×360 |
500×500 |
400 |
500 |
460 |
600 |
1220 |
12-Φ20 |
BLY-22-71 |
3 |
60 |
398 |
| 500×400 |
460×460 |
600×500 |
|
|
|
600 |
1220 |
14-Φ26 |
BLY-22-71 |
75 |
428 |
| 500×500 |
570×570 |
630×630 |
500 |
630 |
570 |
760 |
1400 |
16-Φ26 |
BLY-22-71 |
118 |
524 |
| 700×500 |
770×570 |
830×630 |
|
|
|
760 |
1400 |
18-Φ26 |
BLY-22-71 |
160 |
654 | |